データ解析ソフトウェアを発売
株式会社共和電業(代表取締役社長 執行役員:下住 晃平)は、測定データの確認・解析からレポート作成までをワンストップで実現するデータ解析ソフトウェア「SW-A-100」を、来る2026年2月2日に発売いたします。
本製品は、測定データの全体像を素早く可視化しシームレスに詳細解析へと移行できる高い操作性を備えたソフトウェアです。解析業務に必要なワークフローを効率化し、エンジニアの工数削減に貢献します。


▼2月2日の発売に先駆け、詳細を製品ページでチェック
https://product.kyowa-ei.com/products/softwares/type-sw-a-100
■ポイント
1. 高速な表示と直感的な操作性でデータ確認を効率化
大量の測定データを素早く読み込み、全データの波形を即座にグラフ表示します。また、測定データに加え、動画やGPSデータも表示可能です。
全体像の把握: データ全体のトレンドを俯瞰して確認できます。
詳細表示へのシームレスな移行: 全データ表示から詳細を確認したい箇所をダブルクリックするだけで、詳細グラフへ即座に移行可能です。
ワンストップ・ワークフロー: データの表示・解析からレポート作成まで、複数のソフトを跨ぐことなく本製品のみで完結します。

全データ表示
詳細表示
レポート機能
2.柔軟なチャネル表示機能
サンプリング周波数が異なる、またはファイルが異なるチャネルを同一グラフに表示できるため、データの比較を直観的に行えます。
同期運転や繰り返し集録などで出力された関連ファイルをまとめて読み込む機能「スイート読み」を使う事で、異なるファイルの同一チャネルを時系列順に配置したチャネルを生成します。ファイルを都度結合する必要がないため、測定結果をスムーズに確認
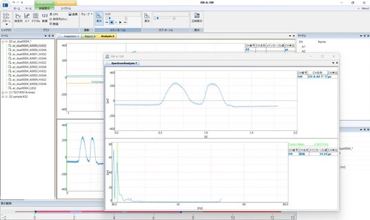
3. 高度なデータ解析と多彩な解析機能
スペクトル解析をはじめとした、専門性の高い解析機能を標準搭載しています。
効率的な比較解析: 複数チャネルのスペクトル解析結果を同一グラフ上に表示し、周波数特性を効率的に比較・確認できます。
豊富な処理機能: スペクトル解析に加え、デジタルフィルタ(IIRフィルタ)など、現場で求められる各種解析処理に対応しています。

4. コンソールアプリによる「定型業務の自動化」を支援
同梱のコンソールアプリケーションにより、定型的な解析・処理作業を自動化できます。
バッチ処理対応: 大量のデータファイルを一括処理し、作業時間を大幅に短縮。
柔軟な条件設定: 引数による条件指定が可能で、既存の自社システムやワークフローへの組み込みにも柔軟に対応します。
■製品概要
[表: https://prtimes.jp/data/corp/24048/table/30_1_6ae68802bb13aafda6792aa4c516f042.jpg?v=202601281145 ]
■共和電業について
共和電業はひずみゲージを日本で最初に商品化しました。1949年の創業以来、豊富な経験と技術をもとに、数多くの高性能なひずみゲージや、ひずみゲージを検出素子に用いたセンサ、測定器、計測システムを自社グループで開発製造しています。多業種にわたるお客様の様々な計測ニーズにお応えすることにより、社会と人の安全を実現し、安心で持続可能な未来づくりに貢献しています。
商 号: 株式会社共和電業
代表者: 代表取締役社長 執行役員 下住 晃平
所在地: 〒182-8520 東京都調布市調布ヶ丘3-5-1
設 立: 1949年6月
事業内容: 官公庁、大学、自動車関連メーカーなどの民間企業等の実験研究分野における応力測定機器
の製造販売。産業機器・FA分野における工業用計装機器の製造販売。 ダム、橋梁、トンネル
等をはじめ都市土木、港湾、海洋関連の各種土木建築用計測機器の製造販売。
各種計測コンサルタント業務。
資本金: 17億2,399万円
U R L:https://www.kyowa-ei.com/
※掲載されている商品またはサービス等の名称は、各社の商標または登録商標です。
d24048-30-09d41a4861054f8ff172bc66bed4d3ce.pdf