株式会社多聞は、主要USB分光器対応の波形解析・半値幅測定ソフト「TAMTEC PEAK ANALYZER」を発売。エクセルの手計算を自動化し、高度な成分分離で研究や品質管理を劇的に効率化します。
開発の背景:手持ちの機器で、もっと手軽に高度な解析を
光学・分光の測定現場において、「半値幅(FWHM)」や複雑なピーク形状の評価は欠かせない指標です。しかし、標準的な分光器の付属ソフトでは機能が不足しており、多くの研究者やエンジニアがデータをCSVで書き出し、Excelで複雑なマクロを組んで手計算を繰り返していました。また、高度な成分分離を行うためには数百万円規模の専用システムを導入する必要があり、現場の大きな負担となっていました。
「TAMTEC PEAK ANALYZER」は、このような課題を解決するために開発されたサードパーティ製ソフトウェアです。現在お使いの分光器をそのまま活かしながら、10万円台からの導入コストで、圧倒的な解析効率と高度な物理量評価を実現します。
TAMTEC PEAK ANALYZERの3つの特長
1. 【マルチベンダー対応】今のハードウェアがそのまま使える Ocean Optics、OtO Photonics、Avantesなどの主要メーカー製USB分光器に標準対応。特定のハードウェアに縛られることなく、今お使いの分光器をPCに繋ぐだけで、即座に高度な解析システムへとアップグレードできます。

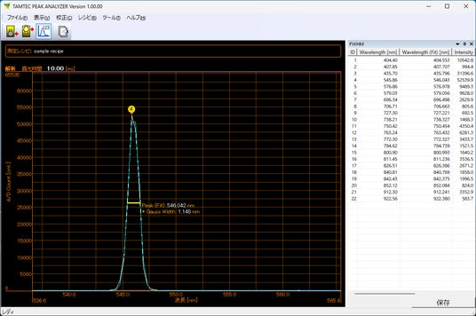
メイン画面。複数ピークの自動検出とFWHMのリアルタイムリスト化
2. 【圧倒的な解析力】ガウス成分とローレンツ成分を自動分離(※Pro版限定) 単なる半値幅(FWHM)の測定にとどまりません。Pseudo-Voigt関数を用いた高度なカーブフィッティングにより、機器関数等による「ガウス成分」と、シュタルク効果等の「ローレンツ成分」を正確に分離して算出。プラズマ診断などの複雑な評価を強力に支援します。

解析グラフのズーム表示。ピークごとのFWHMや中心波長を直感的に確認可能
3. 【完璧なトレーサビリティ】Excelでの「ワンクリックグラフ化」を実現 測定結果は、露光時間や補正アルゴリズムなどの「メタデータ」と共にCSV出力されます 。さらに、解析結果の数値だけでなく「計算の根拠となった生スペクトル波形」や「成分分離曲線」も同時エクスポート。出力データをExcelで「散布図」にするだけで、論文や検査成績書にそのまま使える美しいグラフが即座に完成します。
主な活用シーン
- プラズマ発光解析(シュタルク広がりによる電子密度評価など)
- レーザー・LEDの品質評価(中心波長のドリフト監視、線幅評価)
- 光学フィルター・部材検査(透過帯域の精密な評価)
- 分光器の性能確認・調整
製品仕様・ラインナップおよびご購入方法
本ソフトウェアは、用途とご予算に応じた3つのライセンスグレードをご用意しています。現場の決裁で導入しやすい10万円台から始まり、Standard版までの導入であれば、中小企業様等で「少額減価償却資産の特例」を活用した経費処理が可能な30万円未満の価格設定となっており、迅速な研究・検査環境のアップグレードを支援します。
また、本製品は普段お付き合いのある光学・理化学機器専門商社や、分光器の販売代理店様経由でスムーズにご購入いただけます。新たな口座開設等のお手間を取らせず、いつもの出入り業者様へご用命いただくことが可能です(商社・代理店様からの新規お取り扱いに関するお問い合わせも歓迎しております)。
- Basic版:リアルタイムFWHM表示など基本的な解析機能
- Standard版:複数ピーク自動検出、ガウス/ローレンツフィッティング、CSVメタデータ出力対応
- Pro版:Pseudo-Voigtフィッティング、シュタルク幅測定等の高度な成分分離対応
- 対応OS:Windows 11 / 10 (64bit版)
(※価格および適合機種の詳細は、お取引のある販売代理店様、または弊社までお問い合わせください)
30日間間無料のデモ版を提供中 お手持ちの分光器で実際の動作をお試しいただける、無償デモライセンスを発行しております。詳しくは製品紹介ページをご覧ください。
【製品紹介ページ・お問い合わせ】 https://www.tamon.co.jp/software/tamtec-peak-analyzer/
■ 会社概要
社名:株式会社多聞 (TAMON Co., Inc.)
所在地:〒164-0012 東京都中野区本町3-32-22 東ビル5F
Webサイト:https://www.tamon.co.jp/