株式会社誠文堂新光社(東京都文京区)は、総合オーディオ雑誌『MJ無線と実験』創刊100周年を記念して、『無線と実験 1970~1979 回路図アーカイブ』の発売を開始しています。

本商品は、『無線と実験(当時)』1970年1月号から1979年12月号まで、別冊を除く10年分120冊に掲載されたオーディオアンプ関連の製作記事の回路図のみをすべて抽出したデジタル回路図集です。
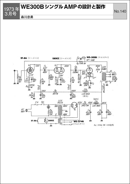
約500点の回路図を収録。
本商品はPDFデータとなっており、USBにPDFデータを格納して提供する「USBメモリー版」、サイトからPDFデータをダウンロードして頂く「ダウンロード版」を用意しております。


1970年代、高度経済成長を経て日本人の生活は経済的にも安定し、生活の豊かさを求める人びとは、さまざまな趣味を享受しました。科学と芸術を統合する趣味であるオーディオもその一つであり、家庭で高音質な音楽が楽しまれるようになり、多くのメーカーがオーディオ分野に進出した一方、趣味として自らオーディオ機器を製作する自作も盛んになりました。


1924(大正13)年に創刊された『無線と實驗』は、戦前戦後のラジオブーム、戦後はテレビブームやアマチュア無線ブームなどと並行して、一貫してオーディオに注力していましたが、LPレコードの普及を起爆剤とした大ブームが始まった1960年代から、特に誌面におけるオーディオの占める割合が増えていき、1970年代からはオーディオ誌としての地位を確立しました。


大ブームだけあって、資本や人材などの大量のリソースがオーディオに集中していたため、この時代には4チャンネルステレオといった新技術や、V-FETなどの新しい発想の部品が次々に登場しました。これらはプロのエンジニアだけのものでなく、アマチュアもさかんに挑戦し、研究結果を発表し、アマチュアの読者がそれを再現していました。
本ソフトは、失われつつあるオーディオ技術を記録することで、未来のオーディオを担う現代の研究者の発想のヒント集となる「オーディオ全盛期の英知の結晶」です。もちろん、オールドファンのノスタルジーを掻き立てるツールであることも間違いありません。
【商品概要】
『無線と実験 1970~1979 回路図アーカイブ』
■価格
・USBメモリー版:12,000円(税込)
・ダウンロード版:11,000円(税込)
※ダウンロード版は2024年7月中旬発売予定です
■購入方法
・USBメモリー版:MJオンラインストア(https://mjnetshop.thebase.in/)
・ダウンロード版:誠文堂新光社の直売所(https://seibundo-store.com/)
※ダウンロード版は2024年7月中旬発売予定です
【商品に関するお問い合わせ先】
株式会社 誠文堂新光社
〒113-0033 東京都文京区本郷3-3-11
MJ無線と実験編集部 TEL03-5800-5779
e-mail:info-mj@seibundo.com
ホームページ:https://www.seibundo-shinkosha.net/
Facebook:https://www.facebook.com/seibundoshinkosha/
X:https://twitter.com/seibundo_hanbai